Pagina de start
Termometre, Higrometre, Termostate
Termostate cu bimetal
Comanda ventilator, functie de umiditate, 0-65%, SPDT, 8A, EFR012/65
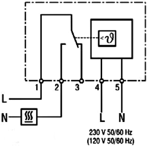
Senzor higrostat EFR012/65; Config.pini: SPDT; 8A; IP20; Montare: DIN; 0 / 60C
Simbol original: 01246.0-00
Producator: STEGO
Specificatii tehnice
Tip senzor: higrostat
Configuratie pini: SPDT
Curent de lucru max.: 8A
Clasa etanseitate: IP20
Montare: DIN
Rezistenta mecanica: 50000cicluri
Temperatura de lucru: 0C / 60C
Conexiune electrica: clema cu cinci poli 2.5mm2
Tensiune maxima: 240V AC
Interval masurare umiditate: 0 ...65% RH
Masa bruta:0.08 kg

ATENTIE: Imaginile produselor au numai titlu indicativ si pot diferi de imaginea reala.
1 / 2
Categorii
- IDENTIFICARE COMPONENTE
- Aparate de masura analogice
- Aparate de masura si control digitale
- Aparate masurat turatia
- Aparate de masura capacitati, inductante, punti RLC, ESR
- Osciloscoape, digitale, analogice, sonde, accesorii
- Aparate de masura curent AC/DC clesti curent
- Aparate de masurat izolatia electrica, prize de pamant
- Accesorii, cabluri masura, sonde HV
- Aparate de laborator, generatoare functii, frecventmetre, calibratoare
- Aparate testat retele Lan, UTP, accesorii
- Inregistratoare, datalogger tensiune, CO, 4-20mA
- Aparate de masura, parametri neelectrici, calitate aer, viteza aer, zgomot, vibratie, PH, intensitate luminoasa
- Aparate de masura, umiditate, temperatura, CO
- Testere de masura, electric, magnetic, optice, telemetre, detectoare cablu
- Circuite integrate logice. circuite digitale
- Circuite integrate analogice, comparatoare, drivere
- Circuite integrate convertoare ADC, DAC
- Circuite integrate memorii
- Circuite integrate, surse de tensiune, referinte tensiune
- Circuite integrate audio, video, tv
- Circuite integrate hibride
- Tranzistoare bipolare
- Tranzistoare P-MOSFET
- Tranzistoare N-P Mosfet
- Tranzistoare IGBT
- Tranzistoare N-MOSFET
- Tranzistoare in capsula dual N-MOS, P-MOS
- Diode redresoare, uz general
- Diode Ultrafast, Schottky
- Diode Schottky de putere
- Diode Schottky SMD
- Diode Zenner
- Diode de putere
- Diode supresoare transil
- Diode duble, Schottky, Ultrafast
- Diode putere Semikron
- Diode microunde
- Punti monofazate, trifazate
- Tiristoare, triace, diace
- Microcontrolere Microchip, Atmel
- Programatoare controlere, memorii
- Radiatoare aluminiu
- Module Peltier
- Materiale izolatoare pentru semiconductori
- Paste termoconductoare, silicon
- Kituri dezvoltare, evaluare,test
- Condensatori electrolitici cu AL radiali
- Condensatori electrolitici cu AL axiali
- Condensatori electrolitici LOW ESR
- Condensatori electrolitici miniatura
- Condensatori electrolitici tensiune mare, 400V, 450V
- Condensator electrolitic cu polimer
- Condensatori electrolitici SMD
- Condensatori MKP
- Condensatori MKT, MKS, FKP1
- Condensatori ceramici supresori
- Condensatori ceramici 3kV, 4kV, 10kV, 15kV, 20kV
- Condensatori ceramici, stiroflex
- Condensatori pentru audio frecventa-bipolari
- Condensatori multistrat
- Condensatori SMD
- Condensatori film, plastic metalizat
- Condensatori trifazat compensare factor putere
- Condensatori trimeri
- Condensatoare snubber
- Condensatori tantal
- Rezistente 1/4W, 1/2W
- Rezistente putere 1W-2W
- Rezistente putere 3W
- Rezistente putere 5W
- Rezistente putere 10W
- Rezistente putere 15W-20W
- Rezistente putere 25W-600W
- Rezistente SMD
- Rezistente de precizie, 0.1%, 0.01%
- Retele rezistente
- Rezistente de precizie 1%
- Rezistente de precizie 0.1%
- Potentiometri multitura
- Potentiometre axiale mono, stereo
- Semireglabili
- Potentiometri translatie
- Butoane demultiplicatoare multitura
- Potentiometre de putere bobinate
- Potentiometre speciale-encodere rotative
- Butoane pentru potentiometri, plastic, metal
- Quarturi-rezonatoare-filtre ceramice
- Termistori NTC, PTC
- Varistori
- Filtre de retea
- Bobine, Inductante
- Relee electronice limitatoare de putere
- Relee electronice control faze
- Relee electronice de curent
- Relee electronice de protectie tensiune
- Relee electronice comutare faze
- Relee electronice cu senzor de lumina
- Relee electronice tip automat scara
- Relee electronice tip bistabil
- Relee electronice tip Dimmer
- Relee electronice timp, timere programabile, timere in timp real, cronotimere
- Relee electronice actionare jaluzele
- Relee electronice tip termostat, reglaj temperatura
- Relee electronice cu senzor IR, microunde
- Comenzi, actionari, aplicatii android, bluetooth PROXI-SMART
- Contoare, Cronometre digitale
- Timere digitale, Relee timp
- Numaratoare digitale
- Numaratoare electromecanice
- Regulatoare de nivel
- Intrerupatoare, limitatori cursa, rola, lamela
- Microintrerupatoare, lamela, rola, bolt
- Contoare orare timp mecanice
- Senzori de proximitate inductivi
- Senzori de proximitate capacitivi
- Senzori optici, reflectivi infrarosu
- Transmiteri, indicatoare de presiune
- Turometre digitale
- Electrovane
- Transmitere de tensiune, curent, temperatura, iesire RS485 MODBUS RTU
- Contoare de energie electrica
- Regulatoare viteza, turatie, presiune, temperatura, umiditate
- Surse de tensiune AC-DC cu cutie
- Surse de tensiune, AC-DC fara cutie
- Surse de tensiune, DC-DC, AUTO, ADAPTOARE, SPLITERE
- Surse de tensiune, DC-DC
- Surse de tensiune AC-DC, montaj sina, RAIL
- Surse pentru alimentare leduri
- Surse de tensiune alternativa, stabilizatoare de tensiune alternativa, UPS, neintreruptibile
- Surse de tensiune de laborator
- Alimentatoare tensiune, AC-DC, Surse tensiune camere,
- Surse de tensiune, AC/DC, DC/DC, montaj PCB
- Surse AC-DC, cu incarcare baterie, sisteme de siguranta, BACKUP
- Surse in comutatie pt telealimentare, POE
- Invertoare 12VDC, 220VAC, 50Hz, Sinus format
- Invertoare 24VDC- 220VAC/50Hz Sinus format
- Invertoare 12VDC-220VAC/50Hz Sinus pur
- Invertoare, controlere pentru instalatii solare
- Surse de curent 4-20mA, calibratoare
- Invertoare de frecventa pentru motoare
- Invertoare televizoare/monitoare LCD
- Alimentatoare TV, Laptop, LCD, Plasma, Tablete, Monitoare, Imprimante
- Surse tensiune adaptoare 220VAC-110VAC
- Acumulatori Ni-MH, NI-Cd, Li-Ion, Li-Po
- Acumulatori PB pentru UPS
- Baterii cu Litiu, Baterii speciale
- Acumulatoare telefoane mobile GSM, Cordless
- Acumulatoare camere video, foto
- Incarcatoare acumulatoare cu PB
- Acumulatoare laptop
- Incarcatoare acumulatori NI-MH, NI-CD, Li-Ion
- Acumulatori back-up, USB, portabile
- Module fotovoltaice, accesorii
- Invertoare lampi CCFL
- Led de putere 1W, 3W,5W,100W
- Led superbright
- Led difuse
- Led infrarosu, emitator, receptor
- Led SMD
- Leduri SUPERFLUX
- Leduri ultraviolet
- Leduri la 12VDC, 9VDC, 5VDC
- Leduri tensiune alternativa, AC, bipolare
- Leduri RGB
- Concentratoare lumina pt leduri
- Leduri in montura
- Monturi led, socluri pt led, suport banda led, suport module led
- Leduri pentru crestere plante, aplicatii horticultura
- Proiector led, reflectoare cu led, iluminare cu led
- Display led, LCD, TFT, OLED
- Benzi led, barete led, module LED
- Diode laser, module
- Optocuploare
- Fotorezistente. fotodiode, infrarosu
- Accesorii casă, locuință, curte
- Boxe si sisteme audio pentru calculator
- Casti, microfoane pentru PC
- Periferice
- Carduri, cititoare carduri, stickuri, flash memorii
- Adaptoare calculator
- Surse calculatoare, UPS
- Mufe, prize PC, accesorii curatat ecrane
- Accesorii HDD/SSD
- Altele - Periferice, accesorii calculator
- Amplificatoare antenă, CATV, modulatoare
- Amplificatoare audio, amplificatoare de putere
- Mixere audio
- Boxe audio, incinte audio
- Amplificatoare sonorizare, adresare publica
- Megafoane, sisteme adresare publica, portavoce
- Boxe active, incinte active, cu amplificator
- Amplificatoare audio auto
- Difuzoare, buzere, indicatoare acustice
- Filtre pentru boxe
- Cablaje adaptoare de format capsule IC
- Cablaje Cupru cu fotorezist
- Placi cablaj pentru test
- Cablaj Cupru simplu si dublu placat
- Placi testare BREADBOARD
- Adaptoare USB
- Cabluri de date pentru calculator
- Cabluri audio-video, Wireless, accesorii
- Cabluri LVDS
- Cabluri HDMI, DVI, VGA, DisplayPort
- Convertoare video, HDMI, DVI, VGA
- Distribuitoare, adaptoare, HDMI, DVI, VGA
- Cabluri audio, video
- Comutatoare de panou, rotative, apasare
- Comutatoare basculante de panou, tip roker
- Comutatoare rotative, miniatura, decadice,speciale
- Comutatoare tip pedala
- Microintrerupatoare cu rola, cu lamela
- Butoane Push, Tactile
- Comutatoare cu cheie tip yala
- Microintrerupatoare tip Joystick
- Tastaturi numerice, Keypad
- Condensatori pornire motoare, cu fisa plata pentru papuc
- Condensatori pornire motoare, cu conexiune fir
- Condensatoare pentru lampi iluminat
- Cabluri electrice monofilare, multifilare
- Cabluri electrice cu mufe, prelungitoare cu protectie
- Cabluri transmisie date, UTP, FTP
- Cablu banda, panglica, multifilar
- Cabluri audio, cabluri de difuzor
- Cabluri industriale de date
- Sirma cupru bobinaj, argintata
- Cabluri coaxiale
- Tub termocontractabil, Fibra sticla
- Accesorii cabluri, presetupe, coliere
- Cable test cu banane
- Cabluri USB
- Difuzoare auto, Boxe auto, Tub Bass
- Statii radio CB, reflectometre
- Amplificatoare auto, Filtre, Accesorii
- Mufe audio auto, accesorii
- Turometre, Termometre auto, indicatoare tensiune, accesorii
- Alimentatoare auto, antene, accesorii
- Accesorii statii radio taxi CB, Antene
- Cabluri flex
- Becuri auto, becuri cu led auto
- Conectori pentru cablaj, reglete, barete
- Conectori Card SIM, SD, MMC, USB
- Conectori de semnal pentru pcb
- Conectori de putere
- Conectori industriali
- Conectori pentru cablu, papuci, banane
- Conectoare audio, video, dvi, hdmi
- Suport de baterii
- Suport sigurante, pe pcb, pe fir, pe panou
- Socluri adaptoare, DIP, SOIC, PLCC , QFP
- Conectoare pcb pentru alimentare Laptop
- Socluri circuite integrate, adaptoare
- Conectori transfer date, RJ45, GPS
- Conectori, jack pentru alimentare, AC, DC
- Conectori fibra optic, toslink
- Cutii plastic pentru electronica
- Cutii metalice pentru tablouri electrice
- Cutii plastic pentru electronica
- Cutii metalice, aluminiu pentru electronica
- Cutii pt instalatii electrice, racorduri, montaje
- Cutii si incinte depozitare electronice
- Cutii plastic tablouri electrice
- Doze plastic, aparente, ingropate
- Aparate, Intrerupatoare, Prize
- Reglete, Presetupe, Accesorii
- Cutii pentru montare pe sina
- Drone: motoare, accesorii, componente
- Antene receptie DVB-T
- Receptoare receptie DVB-T
- Receptie televiziune DVB-T, alimentatoare, mufe, amplificatoare, filtre
- Distantoare metal, plastic
- Suruburi, piulite, nituri
- Rulmenti masini spalat, aspiratoare
- Perii carbune pentru motoare electrice
- Indicatoare digitale de panou, tensiune alternativa
- Indicatoare digitale de panou, tens continua DC
- Indicatoare de curent digital de panou
- Indicatoare digitale de frecventa retea
- Indicatoare analogice, tensiune, curent
- Indicatoare panou digitale, contoare energie
- Indicatoare digitale tensiune, curent, pentru panou, pentru sina
- Kituri electronice hobby
- Benzi izolatoare, speciale
- Materiale diverse pentru electronica
- Paste conductive, adezivi, marker cablaj, reparare cablaj
- Solutii corodare, decapare, flux
- Module comandă radio RF
- Module de comuncatii Aurel RF
- Module comunicatii radio RF
- Module ZigBee, Bluetooth
- Module FTDI de interfatare
- Module GPS, GPRS, accesorii
- Antene pentru module GSM-GPS
- Conectori RF, coaxiali, uhf
- Module RFID, cartele, chei, cititoare, card, RFID acces control
- Module de comanda si control prin GSM
- Motoare de curent continuu
- Motoare de curent alternativ
- Motoare pas cu pas
- Motoare pentru ventilator
- Subansamble electronice, piese schimb electrocasnice, accesorii
- Relee electromagnetice
- Relee auto
- Relee montaj pe sina, relee cu soclu
- Contactoare, relee termice
- Electromagneti
- Relee statice, contactor static
- Relee reed, Relee Sil
- Socluri releu, pcb, sina
- Robotică
- Truse scule electronica
- Burghie pentru electronica, masini gaurit, mandrine
- Clesti speciali pt electronica
- Instrumente inspectie, lampi, lupe
- Protectie antistatica
- Scule si unelte pentru electronica PROXXON
- Semnalizare acustică, sirene, avertizare
- Senzori de curent
- Senzori de vibratie
- Senzori ultrasunete, piezo
- Senzori de distanta
- Senzori de gaz
- Senzori de temperatura
- Senzori Hall. magnetici
- Senzori de umiditate
- Senzori de imagine, culoare, lumina
- Senzori de pozitie
- Senzori de rotatie, encoder
- Senzori de acceleratie, inclinare, gyro
- Senzori PIR
- Senzori presiune, traductoare de presiune
- Senzori cu laser
- Senzori pentru alcool
- Sigurante 38.1x10.3mm
- Sigurante ultrarapide 5X20mm
- Sigurante 5x20mm
- Sigurante 6x32mm
- Sigurante industriale 5x25mm
- Sigurante 5x15mm
- Sigurante industriale 22x58mm
- Sigurante industriale 22x58mm
- Sigurante mini 2.3x8mm
- Sigurante smd, mini
- Sigurante industriale 14x51mm
- Sigurante industriale 8x31mm
- Sigurante resetabile
- Sigurante auto
- Sigurante miniatura monopolare
- Sigurante industriale
- Sigurante PCB
- Sigurante microunde
- Sisteme alarma
- Camere de supraveghere, wireless
- Placi captura video, recordere
- Amplificatoare, Comutatoare video, accesorii, balun
- Detectoare PIR
- Sisteme de comunicații, interfoane, stații radio
- Acumulatori telefon smartphone
- Smartphone, cabluri de date, adaptoare USB
- Smartphone, alimentatoare, adaptoare retea
- Smartphone, acumulatori externi, power bank
- Termocuple tip J, K, S, R
- Termorezistente RTD-PT100, PT500, PT1000
- Senzori de temperatura in infrarosu
- Senzori de temperatura PTC, NTC
- Senzori de temperatura miniatura
- Accesorii montaj, cablu de compensare
- Spray-uri tehnice, lubricanți
- Statii de lipit termostatate
- Pistoale de lipit, ciocane lipit, pompe fludor
- Statii lipit dezlipit cu aer cald
- Accesorii, virfuri lipit
- Ciocane lipit cu gaz
- Aliaj de lipit cu Pb, fludor
- Aliaje de lipit fara PB
- Lampi semnalizare, lampi panou
- Lampi cu halogen, ultraviolet, becuri speciale
- Lampi iluminat de siguranta cu acumulator, reflectoare
- Lampi semnalizare industriale avertizare, incendiu, auto
- Tub CCFL Monitoare,TV LCD
- Becuri semnalizare, miniatura, speciale
- Becuri cu led, economice
- Lanterne
- Surse de lumina , lampi
- Becuri cu led, E27, E14
- Telecomenzi TV, universale, aer condiționat
- Termostate digitale
- Termometre digitale
- Termometre analogice
- Termostate cu bimetal
- Termostate cu capilar
- Inregistratoare, dataloggere umiditate, temperatura
- Pirometre, aparate masurat temperatura fara contact
- Higrometre digitale
- Note de aplicatii pentru regulatoare Pixsys-Italia
- Controlere universale 32x74mm
- Controlere universale 72x72mm
- Controlere universale 48x48mm
- Controlere universale 48x96mm
- Traductori umiditate, temperatura
- Controlere cu montaj pe sina
- Imprimante termice
- Sisteme de achizitie
- Indicatoare, Numaratoare,Tahometre Pixsys
- Touch screen display
- Software monitorizare parametri ATR-Modbus RTU
- Adaptoare de format , regulatoare Pixsys
- Transformatoare toroidale
- Transformatoare retea pentru PCB
- Transformatoare de retea cu prindere, de sina
- Transformatoare retea cu prindere, montare panou
- Autotransformatoare
- Transformatoare pentru lampi cu halogen
- Transformatoare de protectie
- Generatoare de aprindere arzatoare
- Transformatoare de curent, senzori de curent
- Transformatoare linii Tv Color
- Miezuri de ferita
- Transmisie wireless AV
- Tuburi CCFL, monitoare, laptop, TV LCD
- Ventilatoare AC-230VAC
- Ventilatoare uz general
- Ventilatoare DC-5-12-24-48VDC
- Ventilatoare speciale
- Accesorii ventilatoare, grile
- Ventilatoare auto
- Rezistente de incalzire
- Ventilatoare pentru incaperi
- Rezistente de incalzire smd
- Scheme manuale service TV LCD, Plasma
- Scheme TV Color
- Scheme aparate de masura digitale
- Scheme Surse de tensiune TV,Monitor
- Scheme, manuale service LCD monitor
- Scheme invertoare pt LCD
- Scheme Audio, Auto radio
- Softuri utile pentru electronica
- MARCARE CONDENSATOARE, CODURI MARCARE
- Info Resistors
- Info Capacitors
- Info Diodes
- Info Transistors
- Info IC Microcontrollers and DSPs
- Info Relays
- Info LEDs
- Info PCB
- Info Catalogs Schematics and Electronics Softs
- Subansamble electronice, piese schimb electrocasnice, accesorii
Vizualizate recent
Buletine de știri
-
Rezistente de precizie tip MLT 0,20 RON -
SLDP-BX-20 PASTA DECAPANTA 12,20 RON -
Multimetru digital Smart, afisaj color, tester de tensiune, termometru, AC/DC 1000, FNIRS-S1 277,39 RON -
IKW75N65EL5, IGBT, super fast, 80A, 650V, 536W, TO247-3, INFINEON 0,00 RON -
NTP5D0N15MC, Power MOSFET, N Channel, 150 V, 139 A, 0.0042 ohm, TO-220, 0,00 RON -
CP30212MB, USB Adapter, Dual, USB Type C Receptacle, USB Type C Plug, FT Series, CLIFF 0,00 RON