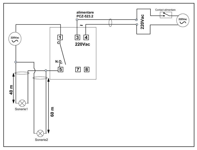
Timerele cu control programabil sunt folosite pentru a controla timpul de lucru al dispozitivelor incluse in sistemele automate industriale sau de uz casnic in conformitate cu graficul de timp planificat individual de catre utilizator, de exemplu, sa insoteasca soneriile la scoala sau alte dispozitive care necesita comutarea scurta la anumite ore.

Functionare
Timerul activeaza si dezactiveaza un dispozitiv la ore prestabilite in urmatoarele cicluri:
24 de ore, zi pe saptamana, zile lucratoare (Luni-Vineri) sau week-end (sambata, duminica).
Durata de actionare ( ON ) setabila intre : 1s - 99min 59s .
Releul are doua programe independente, de control comutabile,
Va permite sa creati, de exemplu soneria la scoala pentru controlul de lectii normale si controlul pentru un program sumar separat.
Functiile timerului :
MOD AUTO - functioneaza in ordinea comenzilor ON-OFF, programata de utilizator in memoria timerului.
MOD MANUAL - include [ON] contact permanent (poz.1-5) sau [OFF] contact permanent deconectat (poz.1-6)
PROGRAM – un program cu doua linii cu intrarile individuale comanda HOLD-ON.
COMANDA ON-OFF – program introdus ce permite activarea sau dezactivarea receptorului
CICLU FUNCTIONARE - Reglabil, ciclu saptamanal, in care receptorul este comandat in functie de programul ON-OFF:
* o singura zi din saptamana: Luni, Marti, Miercuri, Joi,Vineri, Sambata sau Duminica (Mo, Tu, We, Th, Fr, Sa sau Su).
* Zile lucratoare: de Luni pana Vineri
* Zile sfarsit saptamana: Sambata si Duminica (Sa and Su)
* Zilnic: Luni, Marti, Miercuri, Joi, Vineri, Sambata si Duminica (Mo Tu We Th Fr Sa and Su).
SCHIMBAREA AUTOMATA A TIMPULUI – Schimbarea orei de la iarna la vara se face in mod automat pe timp de noapte, in ultima duminica din martie, la 2.00 (prin adaugarea de o ora la ora curenta). Trecerea de la ora de vara la ora de iarna se face in mod automat pe timp de noapte, in ultima duminica din octombrie, la 3.00 (prin scaderea de o ora de la ora curenta).
DST – salvare timp zi lumina - DST anulare- va permite sa dezactivati schimbarea automata a orei.
DATA PREVIEW - In modul AUTO, apasand butonul OK afiseaza data stabilita (zz-ll-aa). Dupa 5 secunde ceasul va intra automat in ferestra principala.
RESTART – Restartarea procesorului - necesar in caz de blocarea a functiilor de ceas. Nu sterge setarile data-ora si memoria de configurare.
MEMORY RESET ("hard" reset) – sterge toate setarile : data, timpul si programele ON/OFF introduse.
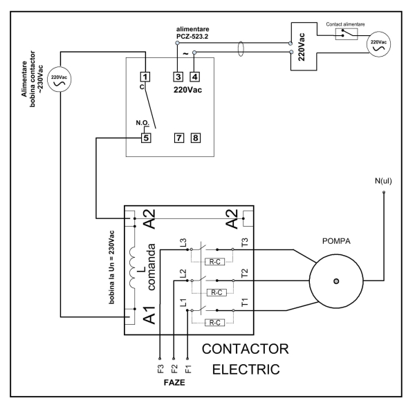
Date tehnice
Curent de sarcina : <16A, AC1
Contact : 1 C/O
Timp mentinere baterie: 6 ani (baterie lithiu)
Precizie timp: 1sec
Eroare timp: ±1s/24h
Domeniu pentru timp programabil pentru comanda ON: 1sec - 99min 59sec
Puterea consumata: 1,5W
Temperatura functionare: -20 / 50C
Conexiune: surub terminale 2,5mm2
Dimensiuni: 2 module (35mm)
Fixare: pe rail TH-35
ATENTIE: Imaginile produselor au numai titlu indicativ si pot diferi de imaginea reala.
PRODUSE ASOCIATE
Categorii
Vizualizate recent
Buletine de știri
Cele mai vizualizate
- Multimetru digital Smart, afisaj color, tester de tensiune, termometru, AC/DC 1000, FNIRS-S1
- Rezistente de precizie tip MLT
- Numarator multifunctional, 11 pini, 5A, up/down, soclu rotund 11 pin, A-H5KLR-11-24V
- MUFA ANTENA RADIO MAMA PLASTIC, GNI0158
- Inregistrator temperatura, DATALOGGER, termocuplu K, T, 1350C, EL-USB-TC, LASCAR
- Ampermetru panou, analogic, 0...100A, DC, 96x96mm, 039-90125-0100-0-60MV-0-100A, CROMPTON - TE CONNECTIVITY
- Cleste curent, 1000AAC, multimetru, 5 functii, AC, DC, R, temperatura, buzer, 54mm, RB-266
- Modul Raspberry Pi4, Model B, BCM2711, SoC, 8GB, DDR4 RAM, USB 3.0, RPI4-MODBP-8GB, RASPBERRY-PI
- SLDP-BX-20 PASTA DECAPANTA
- Conector mama, MTA100, 3pini, pas 2.54mm, 3-640441-3, TYCO