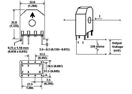
ASM050
Current Transformer 5-50A 10%
Uout :0-135mV/ pe sarcina de 220R
Features
• For optimal PC board mounting
• Fully potted
• Manufactured in an ISO-9001 approved factory
Application
ASM series of current transformers operate as the sealed secondary of a current transformer, while the conductor carrying the current to be measured functions as a one turn primary. Measurement accuracy can be improved by increasing the number of primary turns. Applications include detection of branch circuit overload and load drop or shutdown.
Technical Specifications
Isolation Voltage (Prim./Sec.): 2500V AC
Mains Frequency: 50/60Hz
Temperature Range: - 40...120C

ATENTIE: Imaginile produselor au numai titlu indicativ si pot diferi de imaginea reala.
Categorii
- IDENTIFICARE COMPONENTE
- Aparate de masura analogice
- Aparate de masura si control digitale
- Aparate masurat turatia
- Aparate de masura capacitati, inductante, punti RLC, ESR
- Osciloscoape, digitale, analogice, sonde, accesorii
- Aparate de masura curent AC/DC clesti curent
- Aparate de masurat izolatia electrica, prize de pamant
- Accesorii, cabluri masura, sonde HV
- Aparate de laborator, generatoare functii, frecventmetre, calibratoare
- Aparate testat retele Lan, UTP, accesorii
- Inregistratoare, datalogger tensiune, CO, 4-20mA
- Aparate de masura, parametri neelectrici, calitate aer, viteza aer, zgomot, vibratie, PH, intensitate luminoasa
- Aparate de masura, umiditate, temperatura, CO
- Testere de masura, electric, magnetic, optice, telemetre, detectoare cablu
- Circuite integrate logice. circuite digitale
- Circuite integrate analogice, comparatoare, drivere
- Circuite integrate convertoare ADC, DAC
- Circuite integrate memorii
- Circuite integrate, surse de tensiune, referinte tensiune
- Circuite integrate audio, video, tv
- Circuite integrate hibride
- Tranzistoare bipolare
- Tranzistoare P-MOSFET
- Tranzistoare N-P Mosfet
- Tranzistoare IGBT
- Tranzistoare N-MOSFET
- Tranzistoare in capsula dual N-MOS, P-MOS
- Diode redresoare, uz general
- Diode Ultrafast, Schottky
- Diode Schottky de putere
- Diode Schottky SMD
- Diode Zenner
- Diode de putere
- Diode supresoare transil
- Diode duble, Schottky, Ultrafast
- Diode putere Semikron
- Diode microunde
- Punti monofazate, trifazate
- Tiristoare, triace, diace
- Microcontrolere Microchip, Atmel
- Programatoare controlere, memorii
- Radiatoare aluminiu
- Module Peltier
- Materiale izolatoare pentru semiconductori
- Paste termoconductoare, silicon
- Kituri dezvoltare, evaluare,test
- Condensatori electrolitici cu AL radiali
- Condensatori electrolitici cu AL axiali
- Condensatori electrolitici LOW ESR
- Condensatori electrolitici miniatura
- Condensatori electrolitici tensiune mare, 400V, 450V
- Condensator electrolitic cu polimer
- Condensatori electrolitici SMD
- Condensatori MKP
- Condensatori MKT, MKS, FKP1
- Condensatori ceramici supresori
- Condensatori ceramici 3kV, 4kV, 10kV, 15kV, 20kV
- Condensatori ceramici, stiroflex
- Condensatori pentru audio frecventa-bipolari
- Condensatori multistrat
- Condensatori SMD
- Condensatori film, plastic metalizat
- Condensatori trifazat compensare factor putere
- Condensatori trimeri
- Condensatoare snubber
- Condensatori tantal
- Rezistente 1/4W, 1/2W
- Rezistente putere 1W-2W
- Rezistente putere 3W
- Rezistente putere 5W
- Rezistente putere 10W
- Rezistente putere 15W-20W
- Rezistente putere 25W-600W
- Rezistente SMD
- Rezistente de precizie, 0.1%, 0.01%
- Retele rezistente
- Rezistente de precizie 1%
- Rezistente de precizie 0.1%
- Potentiometri multitura
- Potentiometre axiale mono, stereo
- Semireglabili
- Potentiometri translatie
- Butoane demultiplicatoare multitura
- Potentiometre de putere bobinate
- Potentiometre speciale-encodere rotative
- Butoane pentru potentiometri, plastic, metal
- Quarturi-rezonatoare-filtre ceramice
- Termistori NTC, PTC
- Varistori
- Filtre de retea
- Bobine, Inductante
- Relee electronice limitatoare de putere
- Relee electronice control faze
- Relee electronice de curent
- Relee electronice de protectie tensiune
- Relee electronice comutare faze
- Relee electronice cu senzor de lumina
- Relee electronice tip automat scara
- Relee electronice tip bistabil
- Relee electronice tip Dimmer
- Relee electronice timp, timere programabile, timere in timp real, cronotimere
- Relee electronice actionare jaluzele
- Relee electronice tip termostat, reglaj temperatura
- Relee electronice cu senzor IR, microunde
- Comenzi, actionari, aplicatii android, bluetooth PROXI-SMART
- Contoare, Cronometre digitale
- Timere digitale, Relee timp
- Numaratoare digitale
- Numaratoare electromecanice
- Regulatoare de nivel
- Intrerupatoare, limitatori cursa, rola, lamela
- Microintrerupatoare, lamela, rola, bolt
- Contoare orare timp mecanice
- Senzori de proximitate inductivi
- Senzori de proximitate capacitivi
- Senzori optici, reflectivi infrarosu
- Transmiteri, indicatoare de presiune
- Turometre digitale
- Electrovane
- Transmitere de tensiune, curent, temperatura, iesire RS485 MODBUS RTU
- Contoare de energie electrica
- Regulatoare viteza, turatie, presiune, temperatura, umiditate
- Surse de tensiune AC-DC cu cutie
- Surse de tensiune, AC-DC fara cutie
- Surse de tensiune, DC-DC, AUTO, ADAPTOARE, SPLITERE
- Surse de tensiune, DC-DC
- Surse de tensiune AC-DC, montaj sina, RAIL
- Surse pentru alimentare leduri
- Surse de tensiune alternativa, stabilizatoare de tensiune alternativa, UPS, neintreruptibile
- Surse de tensiune de laborator
- Alimentatoare tensiune, AC-DC, Surse tensiune camere,
- Surse de tensiune, AC/DC, DC/DC, montaj PCB
- Surse AC-DC, cu incarcare baterie, sisteme de siguranta, BACKUP
- Surse in comutatie pt telealimentare, POE
- Invertoare 12VDC, 220VAC, 50Hz, Sinus format
- Invertoare 24VDC- 220VAC/50Hz Sinus format
- Invertoare 12VDC-220VAC/50Hz Sinus pur
- Invertoare, controlere pentru instalatii solare
- Surse de curent 4-20mA, calibratoare
- Invertoare de frecventa pentru motoare
- Invertoare televizoare/monitoare LCD
- Alimentatoare TV, Laptop, LCD, Plasma, Tablete, Monitoare, Imprimante
- Surse tensiune adaptoare 220VAC-110VAC
- Acumulatori Ni-MH, NI-Cd, Li-Ion, Li-Po
- Acumulatori PB pentru UPS
- Baterii cu Litiu, Baterii speciale
- Acumulatoare telefoane mobile GSM, Cordless
- Acumulatoare camere video, foto
- Incarcatoare acumulatoare cu PB
- Acumulatoare laptop
- Incarcatoare acumulatori NI-MH, NI-CD, Li-Ion
- Acumulatori back-up, USB, portabile
- Module fotovoltaice, accesorii
- Invertoare lampi CCFL
- Led de putere 1W, 3W,5W,100W
- Led superbright
- Led difuse
- Led infrarosu, emitator, receptor
- Led SMD
- Leduri SUPERFLUX
- Leduri ultraviolet
- Leduri la 12VDC, 9VDC, 5VDC
- Leduri tensiune alternativa, AC, bipolare
- Leduri RGB
- Concentratoare lumina pt leduri
- Leduri in montura
- Monturi led, socluri pt led, suport banda led, suport module led
- Leduri pentru crestere plante, aplicatii horticultura
- Proiector led, reflectoare cu led, iluminare cu led
- Display led, LCD, TFT, OLED
- Benzi led, barete led, module LED
- Diode laser, module
- Optocuploare
- Fotorezistente. fotodiode, infrarosu
- Accesorii casă, locuință, curte
- Boxe si sisteme audio pentru calculator
- Casti, microfoane pentru PC
- Periferice
- Carduri, cititoare carduri, stickuri, flash memorii
- Adaptoare calculator
- Surse calculatoare, UPS
- Mufe, prize PC, accesorii curatat ecrane
- Accesorii HDD/SSD
- Altele - Periferice, accesorii calculator
- Amplificatoare antenă, CATV, modulatoare
- Amplificatoare audio, amplificatoare de putere
- Mixere audio
- Boxe audio, incinte audio
- Amplificatoare sonorizare, adresare publica
- Megafoane, sisteme adresare publica, portavoce
- Boxe active, incinte active, cu amplificator
- Amplificatoare audio auto
- Difuzoare, buzere, indicatoare acustice
- Filtre pentru boxe
- Cablaje adaptoare de format capsule IC
- Cablaje Cupru cu fotorezist
- Placi cablaj pentru test
- Cablaj Cupru simplu si dublu placat
- Placi testare BREADBOARD
- Adaptoare USB
- Cabluri de date pentru calculator
- Cabluri audio-video, Wireless, accesorii
- Cabluri LVDS
- Cabluri HDMI, DVI, VGA, DisplayPort
- Convertoare video, HDMI, DVI, VGA
- Distribuitoare, adaptoare, HDMI, DVI, VGA
- Cabluri audio, video
- Comutatoare de panou, rotative, apasare
- Comutatoare basculante de panou, tip roker
- Comutatoare rotative, miniatura, decadice,speciale
- Comutatoare tip pedala
- Microintrerupatoare cu rola, cu lamela
- Butoane Push, Tactile
- Comutatoare cu cheie tip yala
- Microintrerupatoare tip Joystick
- Tastaturi numerice, Keypad
- Condensatori pornire motoare, cu fisa plata pentru papuc
- Condensatori pornire motoare, cu conexiune fir
- Condensatoare pentru lampi iluminat
- Cabluri electrice monofilare, multifilare
- Cabluri electrice cu mufe, prelungitoare cu protectie
- Cabluri transmisie date, UTP, FTP
- Cablu banda, panglica, multifilar
- Cabluri audio, cabluri de difuzor
- Cabluri industriale de date
- Sirma cupru bobinaj, argintata
- Cabluri coaxiale
- Tub termocontractabil, Fibra sticla
- Accesorii cabluri, presetupe, coliere
- Cable test cu banane
- Cabluri USB
- Difuzoare auto, Boxe auto, Tub Bass
- Statii radio CB, reflectometre
- Amplificatoare auto, Filtre, Accesorii
- Mufe audio auto, accesorii
- Turometre, Termometre auto, indicatoare tensiune, accesorii
- Alimentatoare auto, antene, accesorii
- Accesorii statii radio taxi CB, Antene
- Cabluri flex
- Becuri auto, becuri cu led auto
- Conectori pentru cablaj, reglete, barete
- Conectori Card SIM, SD, MMC, USB
- Conectori de semnal pentru pcb
- Conectori de putere
- Conectori industriali
- Conectori pentru cablu, papuci, banane
- Conectoare audio, video, dvi, hdmi
- Suport de baterii
- Suport sigurante, pe pcb, pe fir, pe panou
- Socluri adaptoare, DIP, SOIC, PLCC , QFP
- Conectoare pcb pentru alimentare Laptop
- Socluri circuite integrate, adaptoare
- Conectori transfer date, RJ45, GPS
- Conectori, jack pentru alimentare, AC, DC
- Conectori fibra optic, toslink
- Cutii plastic pentru electronica
- Cutii metalice pentru tablouri electrice
- Cutii plastic pentru electronica
- Cutii metalice, aluminiu pentru electronica
- Cutii pt instalatii electrice, racorduri, montaje
- Cutii si incinte depozitare electronice
- Cutii plastic tablouri electrice
- Doze plastic, aparente, ingropate
- Aparate, Intrerupatoare, Prize
- Reglete, Presetupe, Accesorii
- Cutii pentru montare pe sina
- Drone: motoare, accesorii, componente
- Antene receptie DVB-T
- Receptoare receptie DVB-T
- Receptie televiziune DVB-T, alimentatoare, mufe, amplificatoare, filtre
- Distantoare metal, plastic
- Suruburi, piulite, nituri
- Rulmenti masini spalat, aspiratoare
- Perii carbune pentru motoare electrice
- Indicatoare digitale de panou, tensiune alternativa
- Indicatoare digitale de panou, tens continua DC
- Indicatoare de curent digital de panou
- Indicatoare digitale de frecventa retea
- Indicatoare analogice, tensiune, curent
- Indicatoare panou digitale, contoare energie
- Indicatoare digitale tensiune, curent, pentru panou, pentru sina
- Kituri electronice hobby
- Benzi izolatoare, speciale
- Materiale diverse pentru electronica
- Paste conductive, adezivi, marker cablaj, reparare cablaj
- Solutii corodare, decapare, flux
- Module comandă radio RF
- Module de comuncatii Aurel RF
- Module comunicatii radio RF
- Module ZigBee, Bluetooth
- Module FTDI de interfatare
- Module GPS, GPRS, accesorii
- Antene pentru module GSM-GPS
- Conectori RF, coaxiali, uhf
- Module RFID, cartele, chei, cititoare, card, RFID acces control
- Module de comanda si control prin GSM
- Motoare de curent continuu
- Motoare de curent alternativ
- Motoare pas cu pas
- Motoare pentru ventilator
- Subansamble electronice, piese schimb electrocasnice, accesorii
- Relee electromagnetice
- Relee auto
- Relee montaj pe sina, relee cu soclu
- Contactoare, relee termice
- Electromagneti
- Relee statice, contactor static
- Relee reed, Relee Sil
- Socluri releu, pcb, sina
- Robotică
- Truse scule electronica
- Burghie pentru electronica, masini gaurit, mandrine
- Clesti speciali pt electronica
- Instrumente inspectie, lampi, lupe
- Protectie antistatica
- Scule si unelte pentru electronica PROXXON
- Semnalizare acustică, sirene, avertizare
- Senzori de curent
- Senzori de vibratie
- Senzori ultrasunete, piezo
- Senzori de distanta
- Senzori de gaz
- Senzori de temperatura
- Senzori Hall. magnetici
- Senzori de umiditate
- Senzori de imagine, culoare, lumina
- Senzori de pozitie
- Senzori de rotatie, encoder
- Senzori de acceleratie, inclinare, gyro
- Senzori PIR
- Senzori presiune, traductoare de presiune
- Senzori cu laser
- Senzori pentru alcool
- Sigurante 38.1x10.3mm
- Sigurante ultrarapide 5X20mm
- Sigurante 5x20mm
- Sigurante 6x32mm
- Sigurante industriale 5x25mm
- Sigurante 5x15mm
- Sigurante industriale 22x58mm
- Sigurante industriale 22x58mm
- Sigurante mini 2.3x8mm
- Sigurante smd, mini
- Sigurante industriale 14x51mm
- Sigurante industriale 8x31mm
- Sigurante resetabile
- Sigurante auto
- Sigurante miniatura monopolare
- Sigurante industriale
- Sigurante PCB
- Sigurante microunde
- Sisteme alarma
- Camere de supraveghere, wireless
- Placi captura video, recordere
- Amplificatoare, Comutatoare video, accesorii, balun
- Detectoare PIR
- Sisteme de comunicații, interfoane, stații radio
- Acumulatori telefon smartphone
- Smartphone, cabluri de date, adaptoare USB
- Smartphone, alimentatoare, adaptoare retea
- Smartphone, acumulatori externi, power bank
- Termocuple tip J, K, S, R
- Termorezistente RTD-PT100, PT500, PT1000
- Senzori de temperatura in infrarosu
- Senzori de temperatura PTC, NTC
- Senzori de temperatura miniatura
- Accesorii montaj, cablu de compensare
- Spray-uri tehnice, lubricanți
- Statii de lipit termostatate
- Pistoale de lipit, ciocane lipit, pompe fludor
- Statii lipit dezlipit cu aer cald
- Accesorii, virfuri lipit
- Ciocane lipit cu gaz
- Aliaj de lipit cu Pb, fludor
- Aliaje de lipit fara PB
- Lampi semnalizare, lampi panou
- Lampi cu halogen, ultraviolet, becuri speciale
- Lampi iluminat de siguranta cu acumulator, reflectoare
- Lampi semnalizare industriale avertizare, incendiu, auto
- Tub CCFL Monitoare,TV LCD
- Becuri semnalizare, miniatura, speciale
- Becuri cu led, economice
- Lanterne
- Surse de lumina , lampi
- Becuri cu led, E27, E14
- Telecomenzi TV, universale, aer condiționat
- Termostate digitale
- Termometre digitale
- Termometre analogice
- Termostate cu bimetal
- Termostate cu capilar
- Inregistratoare, dataloggere umiditate, temperatura
- Pirometre, aparate masurat temperatura fara contact
- Higrometre digitale
- Note de aplicatii pentru regulatoare Pixsys-Italia
- Controlere universale 32x74mm
- Controlere universale 72x72mm
- Controlere universale 48x48mm
- Controlere universale 48x96mm
- Traductori umiditate, temperatura
- Controlere cu montaj pe sina
- Imprimante termice
- Sisteme de achizitie
- Indicatoare, Numaratoare,Tahometre Pixsys
- Touch screen display
- Software monitorizare parametri ATR-Modbus RTU
- Adaptoare de format , regulatoare Pixsys
- Transformatoare toroidale
- Transformatoare retea pentru PCB
- Transformatoare de retea cu prindere, de sina
- Transformatoare retea cu prindere, montare panou
- Autotransformatoare
- Transformatoare pentru lampi cu halogen
- Transformatoare de protectie
- Generatoare de aprindere arzatoare
- Transformatoare de curent, senzori de curent
- Transformatoare linii Tv Color
- Miezuri de ferita
- Transmisie wireless AV
- Tuburi CCFL, monitoare, laptop, TV LCD
- Ventilatoare AC-230VAC
- Ventilatoare uz general
- Ventilatoare DC-5-12-24-48VDC
- Ventilatoare speciale
- Accesorii ventilatoare, grile
- Ventilatoare auto
- Rezistente de incalzire
- Ventilatoare pentru incaperi
- Rezistente de incalzire smd
- Scheme manuale service TV LCD, Plasma
- Scheme TV Color
- Scheme aparate de masura digitale
- Scheme Surse de tensiune TV,Monitor
- Scheme, manuale service LCD monitor
- Scheme invertoare pt LCD
- Scheme Audio, Auto radio
- Softuri utile pentru electronica
- MARCARE CONDENSATOARE, CODURI MARCARE
- Info Resistors
- Info Capacitors
- Info Diodes
- Info Transistors
- Info IC Microcontrollers and DSPs
- Info Relays
- Info LEDs
- Info PCB
- Info Catalogs Schematics and Electronics Softs
- Subansamble electronice, piese schimb electrocasnice, accesorii
Vizualizate recent
Buletine de știri
-
Rezistente de precizie tip MLT 0,20 RON -
SLDP-BX-20 PASTA DECAPANTA 12,20 RON -
Multimetru digital Smart, afisaj color, tester de tensiune, termometru, AC/DC 1000, FNIRS-S1 277,39 RON -
IKW75N65EL5, IGBT, super fast, 80A, 650V, 536W, TO247-3, INFINEON 0,00 RON -
NTP5D0N15MC, Power MOSFET, N Channel, 150 V, 139 A, 0.0042 ohm, TO-220, 0,00 RON -
CP30212MB, USB Adapter, Dual, USB Type C Receptacle, USB Type C Plug, FT Series, CLIFF 0,00 RON
Cele mai vizualizate
- Multimetru digital Smart, afisaj color, tester de tensiune, termometru, AC/DC 1000, FNIRS-S1
- Rezistente de precizie tip MLT
- Numarator multifunctional, 11 pini, 5A, up/down, soclu rotund 11 pin, A-H5KLR-11-24V
- MUFA ANTENA RADIO MAMA PLASTIC, GNI0158
- Inregistrator temperatura, DATALOGGER, termocuplu K, T, 1350C, EL-USB-TC, LASCAR
- Ampermetru panou, analogic, 0...100A, DC, 96x96mm, 039-90125-0100-0-60MV-0-100A, CROMPTON - TE CONNECTIVITY
- Cleste curent, 1000AAC, multimetru, 5 functii, AC, DC, R, temperatura, buzer, 54mm, RB-266
- Modul Raspberry Pi4, Model B, BCM2711, SoC, 8GB, DDR4 RAM, USB 3.0, RPI4-MODBP-8GB, RASPBERRY-PI
- Conector mama, MTA100, 3pini, pas 2.54mm, 3-640441-3, TYCO
- Soclu releu 11 pini; DIN RAIL, 11pin, MT78750, SCHRACK